Promo banner
  • DIY experts since 1960
  • Manual owners save £2,000 on average each year
  • Over 200 million manuals sold worldwide

Haynes

Mitsubishi Shogun & L200 Pick-Ups Petrol (1983-1994) Haynes Repair Manual

£23.00 RRP £30.00

  • Free shipping on orders over £35.00
  • Despatches next day when ordered before 5pm Mon-Thurs
  • The original print manual

Explore This Format

A Haynes Manual makes caring for your Mitsubishi Shogun & L200 Pick-Ups Petrol (1983-1994) simple. With clear step-by-step instructions, detailed photos and expert tips, it shows you exactly how to maintain, service and repair your car at home.

From MOT checks and routine servicing to brakes, electrics and fault finding, all essential tasks and procedures are covered. Based on a full stripdown and rebuild by the Haynes workshop team, this trusted repair manual gives you the confidence to get the job done right, first time – saving money on garage bills and keeping your car running at its best.

What's Included
  • Step-by-step instructions based on a full stripdown and rebuild
  • DIY-friendly tips and techniques written by the Haynes team
  • A time-saving Fault Finder detailing 400+ common issues for your car
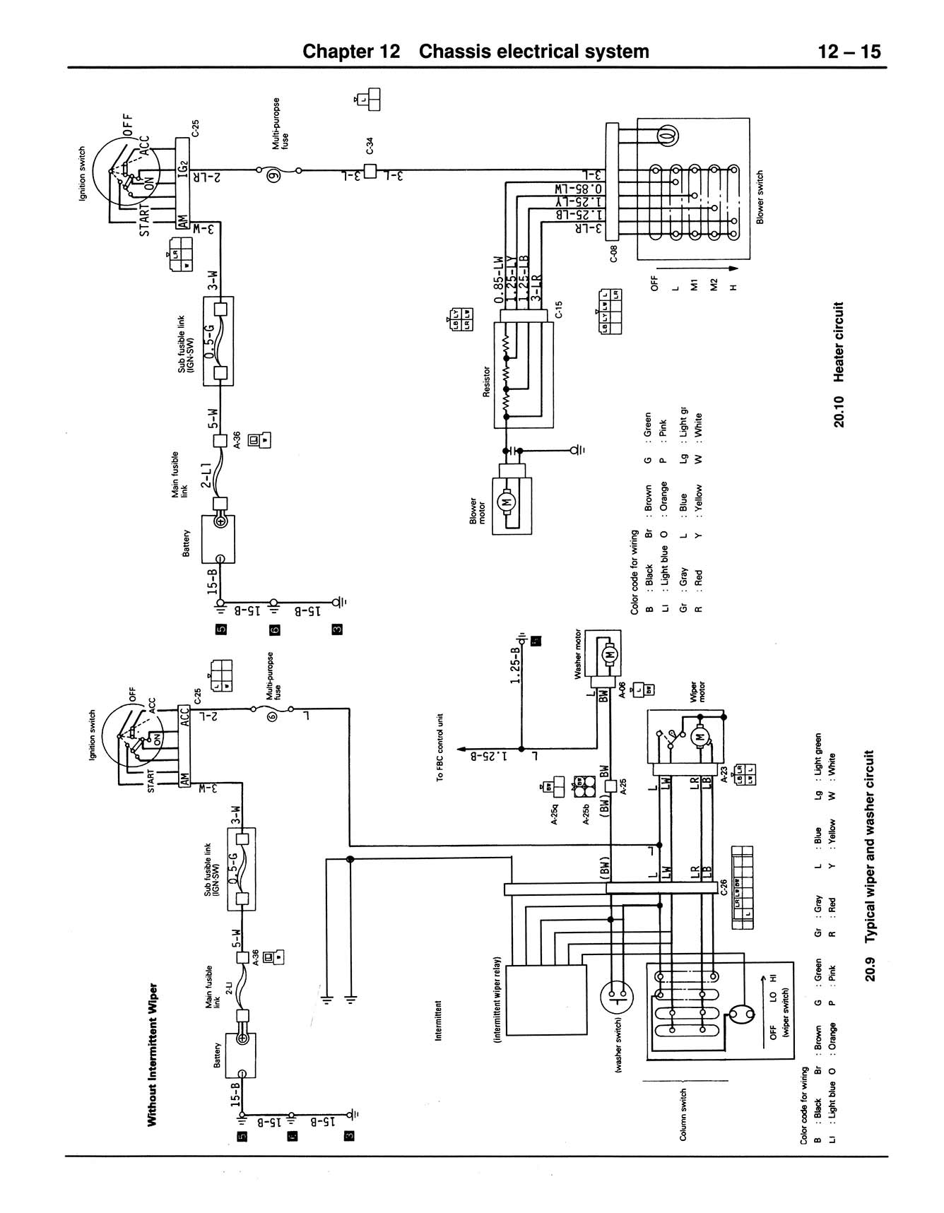
  • Wiring diagrams for key vehicle systems
  • Over 700 pictures and illustrations to make tricky jobs easier
  • A printed book, despatched from our UK warehouse
Coverage

Shogun 3 and 5 door, L200 and 4WD Pick-Ups (from Oct 86) Petrol: 2.0 litre (1997cc), 2.4 litre (2350cc), 2.6 litre (2555cc) 4-cyl and 3.0 litre (2972cc) V6.

Exclusions
  • Does NOT cover 3.5 litre V6. For information on Diesel models, see manual no. 68765 (Australian).

Need Help Choosing?

Your DIY Solutions Explained

Your Mitsubishi. Your Skills. Your Savings

Working on and understanding your car isn’t just for pros. Whether it’s simple maintenance or tackling repairs, our manuals put you in the driver’s seat.

The best part? Every fix you do yourself is money saved for the road ahead.

Customer Testimonials

Trusted by DIYers Since 1960

Helping Drivers for Generations. 200 Million Manuals, Countless Journeys

Across Britain and beyond, our manuals have been a trusted companion in garages and driveways — empowering drivers to care for their cars and motorcycles and the memories they carry.

Not the Right Manual?

Search for Your Vehicle

Enter your reg, make and model or VIN number to find the manual that matches your vehicle.