Promo banner
  • DIY experts since 1960
  • Manual owners save £2,000 on average each year
  • Over 200 million manuals sold worldwide

Haynes

Print & Online Bundle: MINI Petrol & Diesel (Nov 2006-2013) Haynes Repair Manual

£28.00 RRP £51.00

Best Value
Available Formats
  • Free shipping on orders over £35.00
  • Best value - both print and online options included
  • Get instant access to the online manual
  • Book despatches next day when ordered before 5pm Mon-Thurs

Explore This Format

Get the best of both worlds with the Haynes Manual Bundle – the trusted printed workshop manual for your MINI Petrol & Diesel (Nov 2006-2013), plus full access to the interactive online version.

The printed book gives you step-by-step instructions, detailed photos and expert tips you can keep by your side in the garage, while the online manual adds colour photography, interactive features and instant access on any device with an internet connection. Both are based on a complete stripdown and rebuild by the Haynes workshop team, so you know the information is accurate and reliable.

From MOT checks and routine servicing to brakes, electrics and fault finding, this bundle gives you everything you need to get the job done right, first time – saving money on garage bills and keeping your car running at its best.

What's Included
  • A Haynes book, despatched from our UK warehouse
  • Immediate access to the full manual on any Wi-Fi connected device
  • Bonus DIY video content
  • Step-by-step instructions based on a full stripdown and rebuild of the vehicle
  • DIY-friendly tips and techniques, written by the Haynes team
  • Fault Finder detailing 400+ common issues for your car
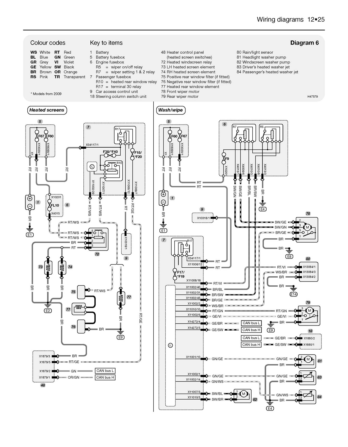
  • Wiring diagrams for key vehicle systems
  • Over 700 pictures and illustrations to make tricky jobs easier
  • Zoom functionality on online colour illustrations
Coverage

Petrol:

MINI Second Generation/Mk 2 Hatchback 1.4L (1397cc) (2006 - 2013)
MINI Second Generation/Mk 2 Clubman (Estate) 1.4L (1397cc) (2006 - 2013)
MINI Second Generation/Mk 2 Convertible 1.4L (1397cc) (2009 - 2013)
MINI Second Generation/Mk 2 Hatchback 1.6L (1598cc) (2006 - 2013)
MINI Second Generation/Mk 2 Clubman (Estate) 1.6L (1598cc) (2006 - 2013)
MINI Second Generation/Mk 2 Convertible 1.6L (1598cc) (2009 - 2013)
Including turbo

Turbo-diesel:

MINI Second Generation/Mk 2 Hatchback 1.6L (1560cc) (2006 - 2013)
MINI Second Generation/Mk 2 Clubman (Estate) 1.6L (1560cc) (2006 - 2013)
MINI Second Generation/Mk 2 Convertible 1.6L (1560cc) (2009 - 2013)
MINI Second Generation/Mk 2 Hatchback 1.6L (1597cc) (2006 - 2013)
MINI Second Generation/Mk 2 Clubman (Estate) 1.6L (1597cc) (2006 - 2013)
MINI Second Generation/Mk 2 Convertible 1.6L (1597cc) (2009 - 2013)
MINI Second Generation/Mk 2 Hatchback 2.0L (1995cc) (2006 - 2013)
MINI Second Generation/Mk 2 Clubman (Estate) 2.0L (1995cc) (2006 - 2013)
MINI Second Generation/Mk 2 Convertible 2.0L (1995cc) (2009 - 2013)

Covers First, One, Cooper and Cooper S

Exclusions
  • Does NOT cover Countryman, Paceman, Clubvan, Roadster, Coupe or John Cooper Works (JCW) versions.

Need Help Choosing?

Your DIY Solutions Explained

Your Mini. Your Skills. Your Savings

Working on and understanding your car isn’t just for pros. Whether it’s simple maintenance or tackling repairs, our manuals put you in the driver’s seat.

The best part? Every fix you do yourself is money saved for the road ahead.

Customer Testimonials

Trusted by DIYers Since 1960

Helping Drivers for Generations. 200 Million Manuals, Countless Journeys

Across Britain and beyond, our manuals have been a trusted companion in garages and driveways — empowering drivers to care for their cars and motorcycles and the memories they carry.

Not the Right Manual?

Search for Your Vehicle

Enter your reg, make and model or VIN number to find the manual that matches your vehicle.