Promo banner
  • DIY experts since 1960
  • Manual owners save £2,000 on average each year
  • Over 200 million manuals sold worldwide

Haynes

Honda CX/GL500 & 650 V-Twins (1978-1986) Haynes Repair Manual

£35.00

  • Free shipping on orders over £35.00
  • Despatches next day when ordered before 5pm Mon-Thurs
  • The original print manual

Explore This Format

Haynes Motorcycle Repair Manuals make it easy to keep your Honda CX/GL500 & 650 V-Twins (1978-1986) in top condition. Each manual is based on a full stripdown and rebuild, giving you clear, step-by-step motorcycle repair instructions you can trust. With hundreds of detailed photos and expert guidance, you’ll handle everything from routine motorcycle maintenance to complex DIY motorcycle repairs.

Whether you need a motorbike service manual for regular care or a complete motorcycle troubleshooting guide, Haynes helps you save money and fix your own motorcycle with confidence. Perfect for beginners and experienced riders alike.

What's Included
  • Step-by-step instructions based on a full stripdown and rebuild
  • DIY-friendly tips and techniques written by the Haynes team
  • A time-saving Fault Finder detailing 400+ common motorcycle issues
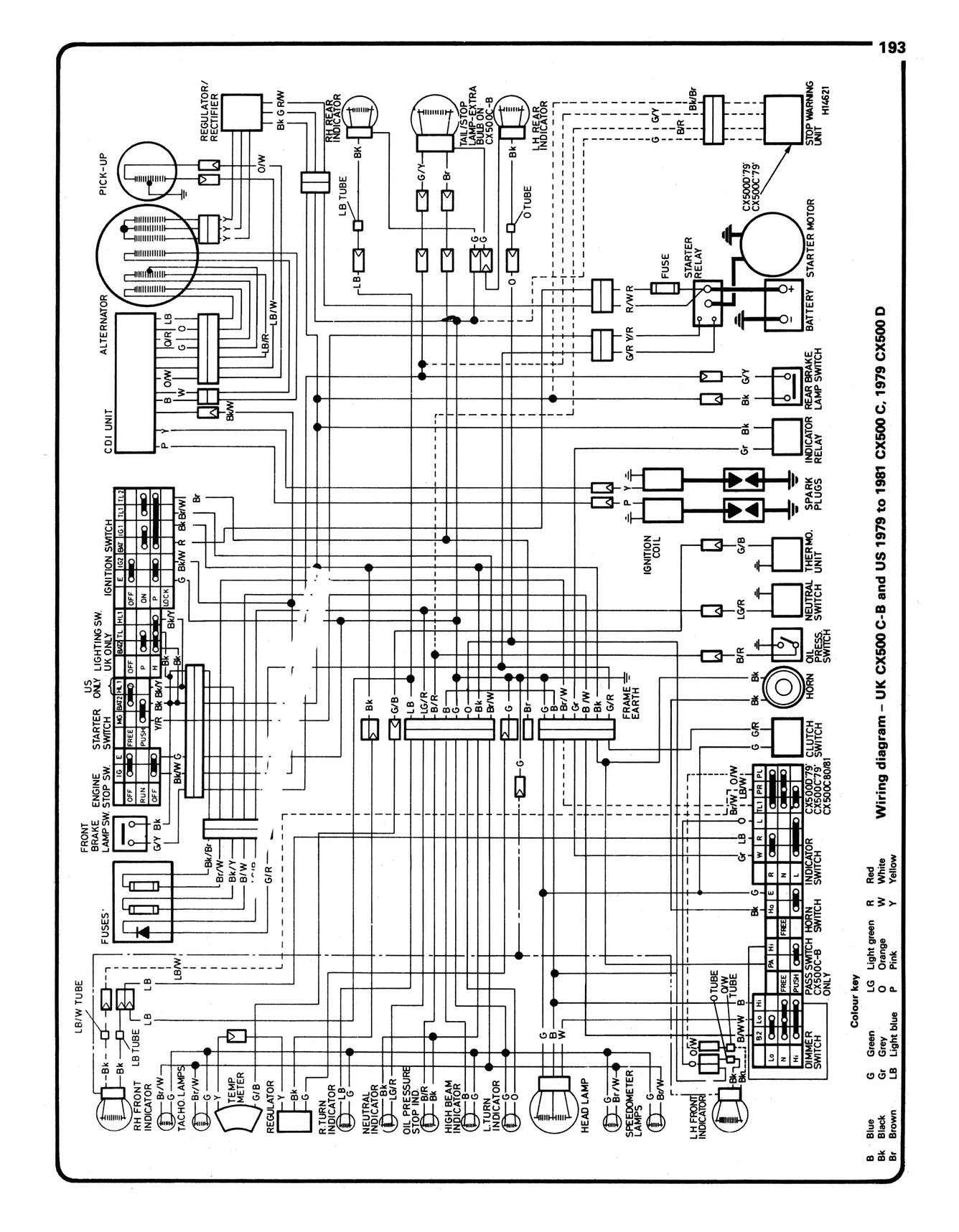
  • Wiring diagrams for key motorcycle systems
  • Over 700 pictures and illustrations to make tricky jobs easier
  • A printed book, despatched from our UK warehouse
Coverage

CX500 497cc 78 - 82 UK
CX500 497cc 78 - 79 USA
CX500C 497cc 79 - 82 USA
CX500C 497cc 81 - 82 UK
CX500D 497cc 79 - 81 USA
CX500E 497cc 82 - 83 UK
CX650C 673cc 1983 USA
CX650E 673cc 83 - 86 UK
GL500 497cc 81 - 82 USA
GL500D 497cc 82 - 83 UK
GL500I 497cc 81 - 82 USA
GL650 673cc 1983 USA
GL650D2 673cc 84 - 86 UK
GL650I 673cc 1983 USA

Need Help Choosing?

Your DIY Solutions Explained

Know Your Honda and Master Every Mile

You don’t need to be a pro mechanic to work on your bike.

With our manuals, you’ll be able to handle everything from simple upkeep to major repairs. Every fix you do yourself saves cash and puts more miles, gear, and adventures within reach.

Customer Testimonials

Trusted by DIYers Since 1960

Trusted by Riders for Generations

Millions of riders trust our manuals to keep their bikes on the road so you can ride further, fix with confidence, and make every journey yours.

Not the Right Manual?

Search for Your Vehicle

Enter your reg, make and model or VIN number to find the manual for your vehicle.