Promo banner

Haynes

Honda CB250 & 350 Twins (1976-1991) Haynes Repair Manual

£35.00

Print on Demand
  • Free shipping on orders over £35.00
  • Printed on Demand: Ships in 5-7 business days

Explore This Format

Complete coverage for your Honda CB250 & 350 Twins 76 - 91


Every manual is written from hands-on experience gained from stripping down and rebuilding each vehicle in the Haynes Project Workshop. The practical step-by-step instructions and clear photos are easy to follow and provide information on maintenance, servicing, fault finding, the MoT, brakes, electrics and Haynes tips to make many tasks easier.

Coverage

Honda PA50L Camino 49cc '76 - '78
Honda PA50VL Camino 49cc '76 - '78, '84 - '86
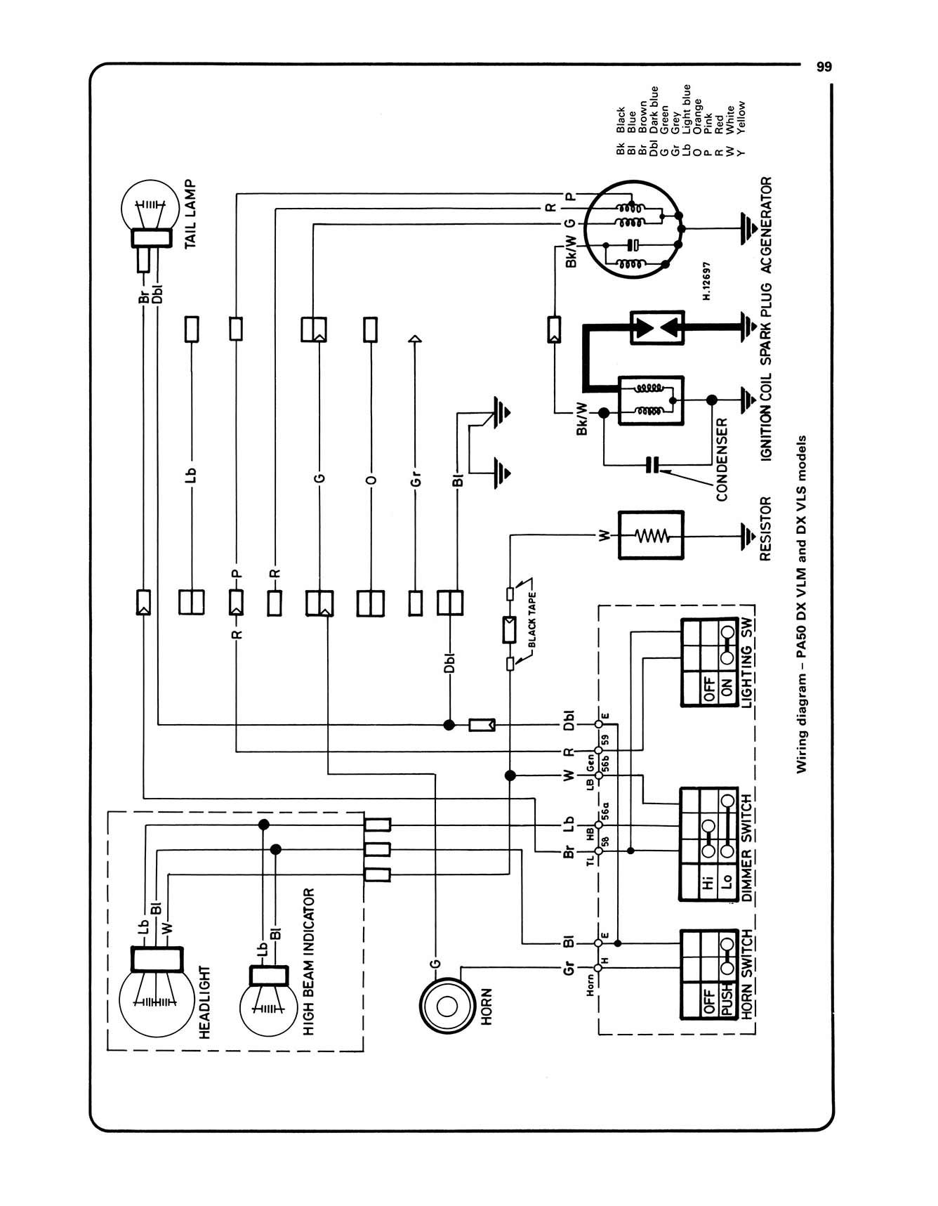
Honda PA50DX VL Camino Deluxe 49cc '78 - '84
Honda PA50 DX VLS Camino Sport 49cc '81 - '83
Honda PA50 DX VLM Camino Sport Special 49cc '82 - '84
Honda PA50 VLC Camino 49cc 1986
Honda PA50 VCH Camino 49cc '86 - '91
Honda PA50 I and II 49cc '78 - '80

Need Help Choosing?

Your DIY Solutions Explained

Know Your Honda and Master Every Mile

You don’t need to be a pro mechanic to work on your bike.

With our manuals, you’ll be able to handle everything from simple upkeep to major repairs. Every fix you do yourself saves cash and puts more miles, gear, and adventures within reach.

Customer Testimonials

Trusted by DIYers Since 1960

Trusted by Riders for Generations

Millions of riders trust our manuals to keep their bikes on the road so you can ride further, fix with confidence, and make every journey yours.

Not the Right Manual?

Search for Your Vehicle

Enter your reg, make and model or VIN number to find the manual for your vehicle.