Promo banner
  • DIY experts since 1960
  • Manual owners save £2,000 on average each year
  • Over 200 million manuals sold worldwide

Haynes

Print & Online Bundle: Honda ATC70, 90, 110, 185 & 200 (1971-1985) Haynes Repair Manual

£42.00 RRP £67.00

Best Value
Available Formats
  • Free shipping on orders over £35.00
  • Best value - both print and online options included
  • Get instant access to the online manual
  • Book despatches next day when ordered before 5pm Mon-Thurs

Explore This Format

Get the best of both worlds with the Haynes Motorcycle Manual Bundle for your Honda ATC70, 90, 110, 185 & 200 (1971-1985) — the trusted printed workshop manual plus full access to the interactive online version.

The printed book gives you step-by-step instructions, detailed photos and expert tips you can keep by your side in the garage, while the online manual adds full-colour photography, interactive features and instant access on any device with an internet connection. Both are based on a complete stripdown and rebuild by the Haynes workshop team, so you know the information is accurate and reliable.

From routine motorcycle servicing and MOT checks to brakes, electrics and fault finding, this bundle gives you everything you need to get the job done right, first time — saving money on workshop bills and keeping your bike running at its best.

What's Included
  • A Haynes Motorcycle Manual, despatched from our UK warehouse
  • Immediate access to the full manual on any Wi-Fi–connected device
  • Bonus DIY motorcycle maintenance video content
  • Step-by-step instructions based on a full stripdown and rebuild of the bike
  • DIY-friendly tips and techniques, written by the Haynes team
  • A Fault Finder detailing 400+ common motorcycle issues
  • Wiring diagrams for key motorcycle systems
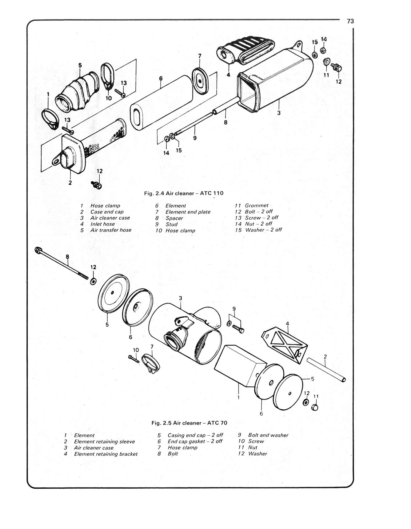
  • Over 700 photos and illustrations to make tricky jobs easier
  • Zoom functionality on online colour illustrations
Coverage

ATC70 72cc 1973 on USA
ATC90 89cc 71 - 76 USA
ATC110 105cc 1979 on
ATC185 181cc 81 - 82
ATC200 192cc 81 - 82 USA

Need Help Choosing?

Your DIY Solutions Explained

Know Your Honda and Master Every Mile

You don’t need to be a pro mechanic to work on your bike.

With our manuals, you’ll be able to handle everything from simple upkeep to major repairs. Every fix you do yourself saves cash and puts more miles, gear, and adventures within reach.

Customer Testimonials

Trusted by DIYers Since 1960

Trusted by Riders for Generations

Millions of riders trust our manuals to keep their bikes on the road so you can ride further, fix with confidence, and make every journey yours.

Not the Right Manual?

Search for Your Vehicle

Enter your reg, make and model or VIN number to find the manual for your vehicle.